1、濕式靜電除塵(霧)器的工作原理:
濕式電除塵(霧)器將普通的三相交流電通過整流、轉換、升壓等環節轉化成0~80千伏(可調)的高壓脈沖直流電,設備通電運行時,煙氣通過設備,懸掛在設備內的陰極線(電暈極)不斷發射出電子,把電極間部分氣體電離成正負離子,塵等顆粒碰到離子而荷電,按照同性相斥、異性相吸的原理,荷電后的塵粒各自向電極性相反的方向移動,正離子向電暈極移動,而電子和負離子則移向陽極管(沉淀電極)。分散在氣體中的塵與帶負電離子相碰撞而荷電,在電場的作用下,帶電塵顆粒移向沉淀極內壁上,靠自重順壁而下,落入電除塵器以下的收塵裝置中,并與漿液混合,在設備運行一段時間后,電控系統會自行啟動沖洗水泵,此時噴淋系統開始工作,在設定的時間內,會把附著在陽極管壁上的剩余的灰塵清洗干凈,通過集塵室的排污口排出設備外部,使排放煙氣得到凈化,滿足國家排放標準。
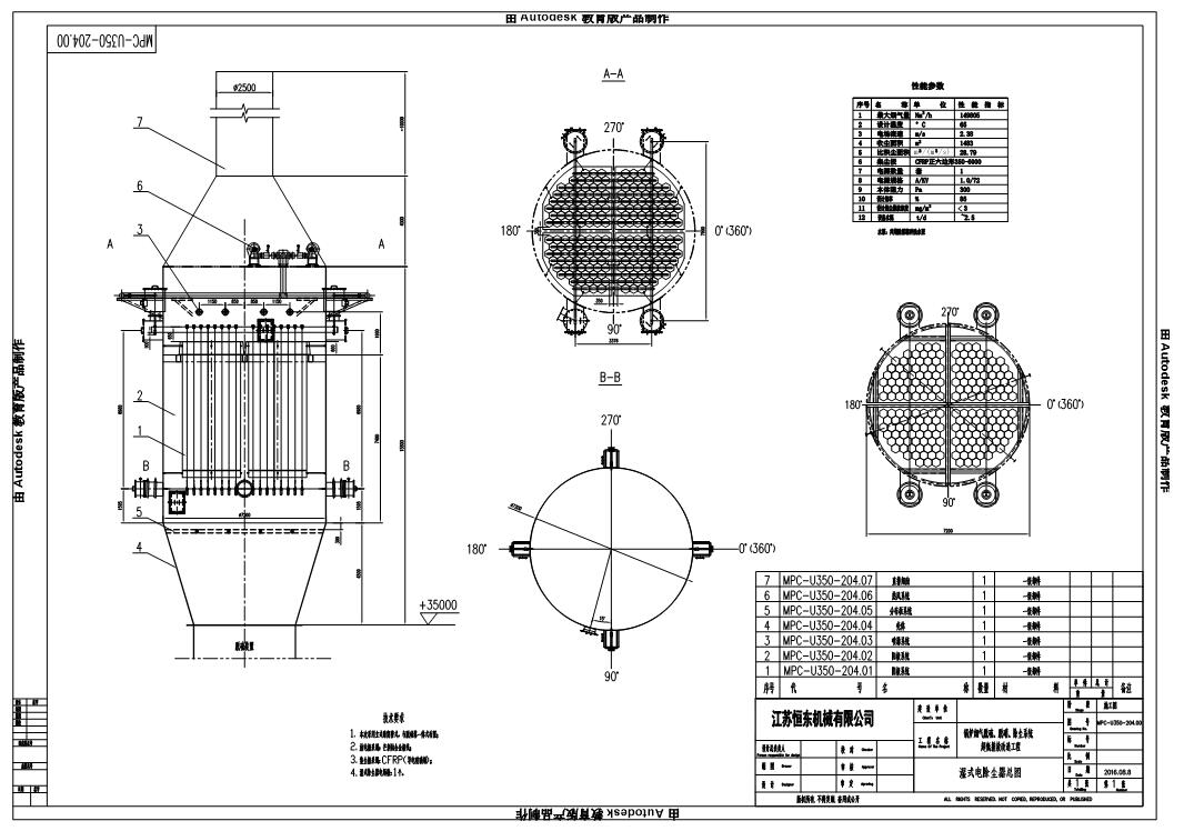
濕式靜電濕式除塵(霧)器(以下簡稱除塵器)為塔外安裝或塔上安裝方式,是利用高壓脈沖直流電、電場驅動煙氣內微細煙塵,使其加速沉降于陽極表面,以除去煙氣中的塵粒、霧滴及氣溶膠等,從而達到對煙氣的凈化。

2、濕式靜電除塵(霧)器的結構介紹:
電除塵(霧)器總體結構分為:殼體、陽極系統、陰極系統、絕緣箱、氣體分布裝置、沖洗系統、電源及電氣控制系統等:
3、特點
WESP具有除塵效率高、壓力損失小、操作簡單、能耗小、無運動部件、無二次揚塵、維護費用低、生產停工期短、可工作于煙氣露點溫度以下、由于結構緊湊而可與其它煙氣治理設備相互結合、設計形式多樣化等優點。
濕式電除塵器采用液體沖刷集塵極表面來進行清灰,可有效收集微細顆粒物(PM2.5粉塵、SO3酸霧、氣溶膠)、重金屬(Hg、As、Se、Pb、Cr)、有機污染物(多環芳烴、二惡英)等。使用濕式電除塵器后含濕煙氣中的煙塵排放可達10mg/m甚至5mg/m以下,收塵性能與粉塵特性無關,適用于含濕煙氣的處理,尤其適用在電廠、鋼廠濕法脫硫之后含塵煙氣的處理上,但設備投資費用較高,且需與其它除塵設備配套使用,其投資技術經濟性和運行成本要從整體進行評價。













